Contact Us   简体中文

New Upgrade | HP1012: Digital Totem Pole PFC Controller with 650 V Half-Bridge Gate Driver

1 3, 2024

Recently, our launched totem pole PFC digital controller HP1010 has gained significant market recognition for its high efficiency and flexibility, as well as simplified circuitry that effectively addresses key technical challenges of the totem pole bridgeless topology. To further assist our customers in achieving a better balance between performance and cost, we have introduced the higher integrated HP1012 totem pole PFC digital controller featuring an integrated 650 V slow switch driver.

图片

Figure 1 : HP1012 Package Diagram


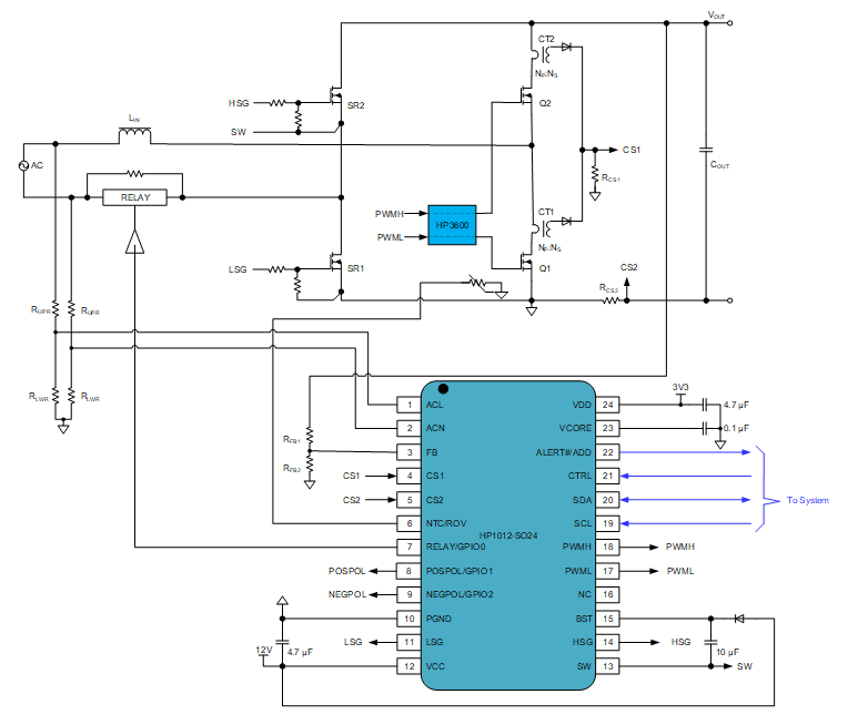
The HP1012 is a totem pole bridgeless PFC digital controller that integrates a 650 V line frequency synchronous rectifier half-bridge driver, packaged in a 7.8 mm x 8.2 mm SSOP-24L package. It builds upon the efficient, flexible, and compact characteristics of the HP1010 chip by incorporating a half-bridge driver, thereby offering higher integration and cost-performance ratio.

Its digital architecture is based on a high-speed digital state machine structure and includes a high-performance analog front-end and high-speed comparators, ensuring real-time high-performance control of the totem pole bridgeless PFC. The HP1012 provides cycle-by-cycle current limiting protection (CBC) that effectively prevents overcurrent issues caused by abnormal power supply voltage fluctuations. Its surge voltage protection feature allows for quick shutdown of the slow synchronous rectifier during surge overvoltage events, especially reverse lightning strikes in the positive half-cycle and forward lightning strikes in the negative half-cycle, enhancing the stability and reliability of the totem pole PFC. HP1012 supports intelligent mode switching (CCM, DCM, and Burst Mode) to adapt to varying load conditions and achieve excellent light-load efficiency. It also features a switch frequency spreading function to improve EMI performance of the totem pole bridgeless PFC power system. Functions can be easily configured through a Graphical User Interface (GUI) software, accelerating product design and time-to-market.

The HP1012 is suitable for a wide range of high-efficiency, compact switch-mode power supplies, such as cloud computing/server power supplies, high-performance computers, 5G/telecommunications power supplies, industrial power supplies, Ultra-High Density (UHD) power supplies, and other power systems.


Chip Features

• High-Flexibility Digital PWM Control 

• PWM frequency range from 20 kHz to 200 kHz 

• Soft start during AC line zero crossing 

• Frequency spread-spectrum to enhance EMI performance 

• Integrated 650V half-bridge driver for slow switch with 2.5A driving current 

• High-Performance Control Loop 

• 25 MHz ADC for line voltage, output voltage, and current detection; 12.5 MHz ADC for output voltage 

• Enhanced dynamic loop response 

• Input voltage feedforward to prevent reverse currents during AC voltage dips 

• Supports high-voltage DC input • RMS-based power metering 

• Surge current control with programmable relay delay 

• Discharge of X capacitors in both channels during shutdown 

• Multi-Mode Operation • Continuous Conduction Mode (CCM) under heavy loads 

• Discontinuous Conduction Mode (DCM) under light loads 

• Bypass or hiccup mode under no load 

• Comprehensive Protection Features 

• Fast overvoltage, undervoltage, and overvoltage protection 

• Cycle-by-cycle current limit, average current overcurrent protection 

• NTC thermal protection 

• Built-in MTP for storing custom configurations 

• I2C interface for programming via an easy-to-use GUI 

• Packaged in SSOP-24L


Outstanding Performance 

The HP1012 retains the advantages of the HP1010 chip, boasting high efficiency, flexibility, and compactness. By integrating the half-bridge driver, it better meets user demands for driving capability and integration. The streamlined external circuitry results in a compact overall solution, reducing PCB area usage, saving board space, and effectively lowering BOM costs.

Moreover, the HP1012 comes equipped with a comprehensive set of programmable protection functions including input voltage overvoltage/undervoltage protection, output voltage overvoltage/undervoltage protection, and output feedback voltage open-circuit protection, where all protection parameters and enable/disable settings can be independently configured. This ensures the safe and stable operation of the entire system.


图片

Figure 2 : HP1012 Typical Application Circuit Diagram



Innovative Design 

HP1012 not only delivers exceptional performance but also offers greater design flexibility. The digital controller provides high design flexibility, while the GUI makes power supply design more straightforward. The integration of the half-bridge driver provides additional space and flexibility for designs, enabling you to better meet the evolving market demands.

Hynetek has concurrently released a 600 W evaluation board for the HP1012, which adopts Navitas' GaNFast™ series NV6512 bottom-cooled, thermally-enhanced surface-mount GaN power device with GaNSafe™ technology. This device features fast short-circuit protection, higher current capacity, robust reliability, and improved heat dissipation with the TOLL package, making it an ideal choice for designing high-frequency, high-efficiency, high-power-density medium to large power supply systems.

Key specifications of the evaluation board include: 

• Input Voltage Range: 90 ~ 264 VAC 

• Output Voltage: 400 VDC 

• Output Power: 600 W 

• Typical Efficiency: 99.0%


Figure 3 : Evaluation Board with HP1012


Connecting to the Future 

The introduction of the HP1012 marks Hynetek's continuous innovation in the field of digital controllers. We believe that the HP1012 will become your top choice, helping you stand out in the increasingly competitive market.


Homepage
About Us
Products
Applications
Design
Purchase
Join Us
All rights reserved © 2023. All Rights Reserved By Hynetek Semiconductor Co., Ltd. GuangDong ICP No. 19101561 Contact Us | Privacy Policy | Terms of Sale
All rights reserved © 2022. All Rights Reserved By Hynetek Semiconductor Co,. Ltd.
Guangdong ICP No. 19101561 Contact Us | Privacy Policy | Terms of Sale