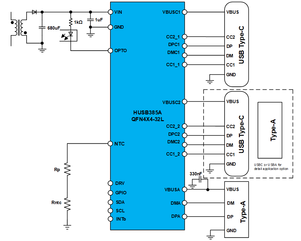
Ultra-highly Integrated 2C1A or 2A1C Charging Port Controller
USB Type-C 2.1 and USB PD3.2 Compliant
– Support 5 V, 9 V, 12 V, 15 V and 20 V FPDOs
– Support 2 Programmable APDOs
– Support SPR AVS 15 V, 20 V
Support BC1.2 DCP and HVDCP Protocols
– BC 1.2 DCP Mode
– Apple 5V2.4A Mode
– QC2.0/3.0/QC3.0+ Class A or Class B
– AFC, FCP and SCP
– PE 1.1+/2.0
– UFCS1.0
Support 3-ports Application (2C1A or 2A1C)
Support Fast Charging Mode
– Single Port: Fast Charging
– Mutiple Ports: Sharing 5V
Integrated N-MOSFETs with Softstart
Integrated Current Shunt
Constant Voltage and Constant Current Control with Internal Compensation
I2C Slave interface for Information Report
– Configurable Device Address
Multi-level, Segmented Cable-compensation Options
Support External NTC Temperature Sensing and Dynamic Power Source (DPS) Functionality
Integrated OVP, UVP, UVLO, OCP, FOCP, OTP and TSD protections
Chip Link Fuction with Total Output Current Limit
Integrated DRV Driver, Front-stage DCDC Can be Bypassed
Two Times Programming Support
QFN-32L (4 mm x 4 mm) Package
±4 kV HBM ESD rating for USB IO pins


